العلامة التجارية: نيفاداالوصف: استبدال لوحة تثبيت DIN-MOUNTالحالة: العلامة التجارية الجديدةالشهادة: رسالة ضمان تقرير اختبار COOالضمان: 1 سنةالمخزون كمي: 10مدة الدفع: T/T.ميناء الشحن: شنتشنإن نيفادا 138493-01 هي حشية بديلة تصاعد مصممة لتركيب السكك الحديدية. تم تصميمه ليتم تثبيته باستخدام أجهزة استشعار محددة وأجهزة أخرى لضمان تثبيت الجهاز بحزم على سكة DIN.
| تصنيع | نيفادا | 
| رقم النموذج | 138493-01 | 
| رقم الطلب | 138493-01 | 
| كتالوج | - | 
| بلد المنشأ | أمريكا | 
| رمز HS | 90318090 | 
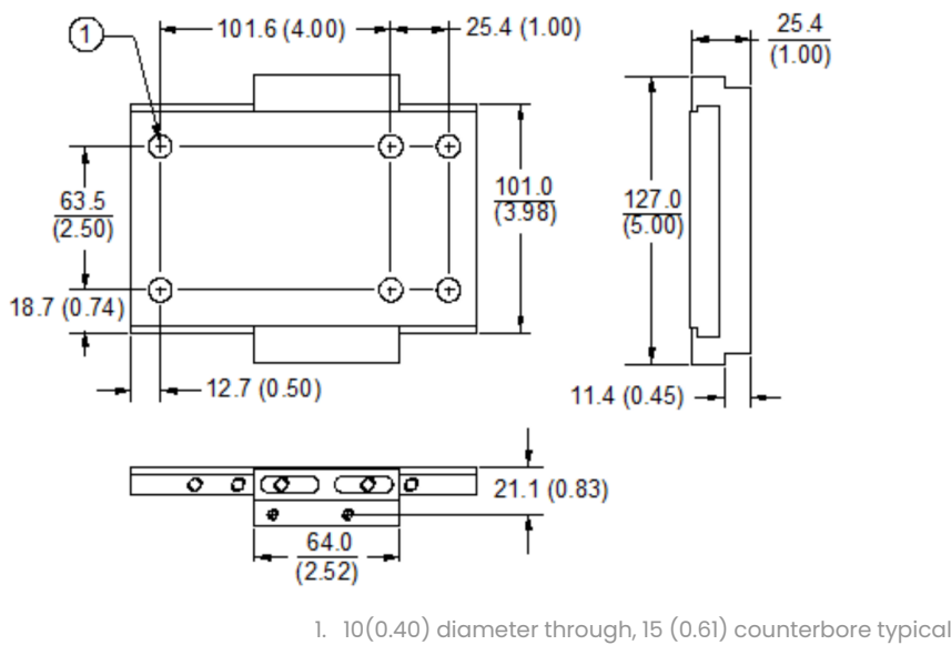
| البعد | 25*25*10 سم | 
| بُعد التعبئة | 30*28*12 سم | 
| وزن | 1.5 كجم | 
نظرة عامة على المنتج
	
المواد والمتانة: مصنوعة من مواد من الدرجة الصناعية
التثبيت السهل: لا يتطلب أي أدوات خاصة ، التثبيت المفاجئ ، يتوافق مع معايير DIN EN 60715.
التوافق: يتطابق تمامًا مع التصميم النحيف لمستشعر 3300 XL Proximitor.
	 
ميزات المنتج
سهولة التثبيت: تم تصميم BLAY NEVADA 138493-01 خصيصًا لتركيب السكك الحديدية DIN ، فهو يسمح بتثبيت الجهاز السريع والدقيق ، وتقليل وقت التثبيت وتكاليف العمالة.
مستقر وموثوق به: نيفادا 138493-01 مع الهندسة الدقيقة والهندسة لتناسب بشكل مريح بين سكة DIN والجهاز ، مما يوفر الدعم المستقر المتصاعد ومنع الاهتزاز والحركة وغيرها من المشكلات أثناء التشغيل.
	
التطبيقات
أنظمة مراقبة المعدات الصناعية: يستخدم نيفادا 138493-01 بشكل شائع لتثبيت مختلف أجهزة استشعار مراقبة المعدات الصناعية ، مثل أجهزة استشعار الاهتزاز وأجهزة استشعار الإزاحة ، مما يضمن التثبيت المستقر. تستخدم هذه الأنظمة على نطاق واسع لمراقبة المعدات في الصناعات مثل الطاقة والبتروكيماويات والتصنيع الصناعي.
معدات خط الإنتاج الآلية: BLAY NEVADA 138493-01 المستخدمة في خطوط الإنتاج الآلية ، يمكن استخدام هذه الأنظمة لتأمين وحدات التحكم ، وأدوات الاختبار ، وغيرها من المعدات التي تتطلب تركيبًا دقيقًا على قضبان الدين ، وضمان الاستقرار أثناء تشغيل خط الإنتاج عالي السرعة.
	
ملاحظات التثبيت
خطوات التثبيت:
قم بإزالة الحشية القديمة → قم بمحاذاة الحشية الجديدة مع فتحات → اضغط على سكة DIN لتأمينها.
متطلبات عزم الدوران:
أقصى عزم الدوران لجميع المواضيع هو 45 N · M (400 في · LBF). ومع ذلك ، فإن الحشية نفسها عبارة عن تصميم خالٍ من الخيط ، لذلك لا يلزم عزم الدوران.
متطلبات الفضاء:
الحد الأدنى عرض 89.4 مم (3.52 بوصة) بالإضافة إلى 3.05 مم إضافي (0.12 بوصة) من الخلوص مطلوب للإزالة.
	
نماذج الأجهزة المعمول بها
بالنسبة لمستشعر Proximitor 3300 XL 50 مم في إصدار Din Rail Mount فقط ، فإن لاحقة النموذج المقابلة هي:
330878-51 (طول النظام 5 أمتار ، جبل DIN)
330878-91 (طول نظام 9 أمتار ، جبل DIN)
ملاحظة: بالنسبة لإصدارات Mount للوحة (لاحقة النموذج -50/-90) ، يلزم عرض قطع الغيار 138492-01.