غي IS200TBAIH1CDD
  • غي IS200TBAIH1CDD غي IS200TBAIH1CDD
  • غي IS200TBAIH1CDD غي IS200TBAIH1CDD
  • غي IS200TBAIH1CDD غي IS200TBAIH1CDD

غي IS200TBAIH1CDD

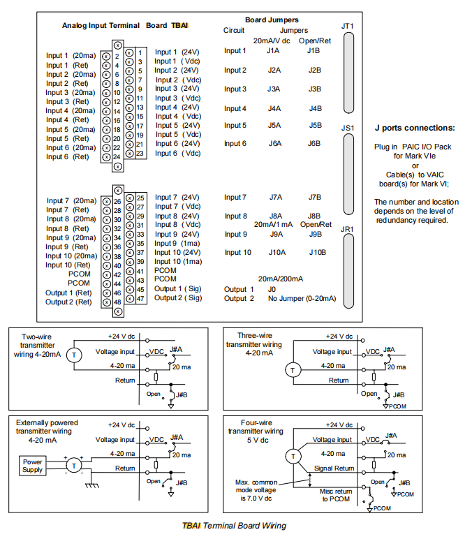
GE IS200TBAIH1CDD عبارة عن لوحة طرفية للإدخال التناظري ذات 16 قناة صممتها شركة General Electric لتوربينات Mark VIe وMark VIeS المتقدمة وأنظمة التحكم في العمليات. تعد هذه اللوحة أحد مكونات الواجهة المادية الرئيسية في بنية نظام Mark VIe I/O.

إرسال استفسار

وصف المنتج

تصنيع
جنرال إلكتريك
رقم الموديل
IS200TBAIH1CDD
مسلسل
مارك السادس
بلد المنشأ
الولايات المتحدة الأمريكية
رمز النظام المنسق
8504902000
البعد
20*5*5 سم
البعد التعبئة
20*5*5 سم
وزن
0.7 كجم

نظرة عامة على المنتج

GE IS200TBAIH1CDD عبارة عن لوحة طرفية للإدخال التناظري ذات 16 قناة صممتها شركة General Electric لتوربينات Mark VIe وMark VIeS المتقدمة وأنظمة التحكم في العمليات. تعد هذه اللوحة أحد مكونات الواجهة المادية الرئيسية في بنية نظام Mark VIe I/O. وتتمثل الوظيفة الأساسية في إنشاء اتصال كهربائي آمن وموثوق وموحد بين الأجهزة الميدانية ووحدات معالجة الإدخال/الإخراج الداخلية لنظام التحكم. لا يقوم IS200TBAIH1CDD بمعالجة الإشارة أو تحويلها. إنه مركز أسلاك عالي الكثافة غير مزود بالطاقة. يتم توصيل الإشارات التناظرية القياسية مثل 4-20 مللي أمبير أو ± 10 فولت تيار مستمر من الحقل إلى هذه اللوحة الطرفية عبر كابلات محمية، ثم يتم نقل الإشارات إلى وحدة VAIC المثبتة في حامل الإدخال/الإخراج بخزانة التحكم من خلال كابل شريطي مخصص عالي الكثافة. يعد هذا التصميم المنفصل "اللوحة الطرفية + كابل الشريط + بطاقة الإدخال/الإخراج" ميزة مميزة لنظام Mark VIe، مما يبسط بشكل كبير الأسلاك في الموقع، وصيانة النظام، واستكشاف الأخطاء وإصلاحها.

ميزات المنتج ومزاياه

تحقيق الفصل الكامل بين "الطبقة المادية" و"الطبقة الإلكترونية" - حجر الزاوية في موثوقية النظام

في البيئات الصناعية، تعد أخطاء الأسلاك ودوائر الكابلات القصيرة وارتفاع الجهد المستحث من المصادر الشائعة للأعطال. تعمل TBAI، باعتبارها لوحة طرفية سلبية، بمثابة "جدار الحماية" الأول. سيقتصر أي عطل كهربائي يحدث على الجانب الميداني على اللوحة الطرفية والكابلات المتصلة بها، ولن ينتشر مباشرة إلى وحدة معالج الإدخال/الإخراج VAIC باهظة الثمن والدقيقة. حتى لو تعرضت اللوحة الطرفية للتلف بسبب الظروف القاسية، فإن تكلفة الاستبدال ووقته أقل بكثير من استبدال بطاقة الإدخال/الإخراج التي تدمج دوائر تكييف الإشارة المعقدة وشرائح ADC.

ومن خلال الفصل الفعلي لمنطقة أسلاك المجال عالية الضوضاء عن منطقة إلكترونيات التحكم منخفضة الضوضاء، تم تبسيط تصميم EMC لنظام Mark VIe. يمكن نشر وحدة VAIC في وضع أكثر نظافة وأفضل حماية داخل خزانة التحكم، بينما تتعامل لوحة TBAI مع جميع الاتصالات الميدانية القذرة. تعمل استراتيجية التقسيم هذه على تحسين القدرة على مقاومة التداخل لنظام الإدخال/الإخراج بأكمله بشكل كبير.

يعد وضع الصيانة الثوري خارج الخزانة بمثابة مضاعف للكفاءة التشغيلية

تتميز GE IS200TBAIH1CDD بسهولة الصيانة طوال دورة حياتها بأكملها، بدءًا من تشغيل المشروع والفحص اليومي وحتى معالجة الأخطاء والإصلاحات الرئيسية للمعدات. بالكاد يحتاج موظفو الصيانة إلى فتح باب خزانة التحكم الرئيسية. يمكن لمهندسي الأجهزة إكمال جميع المهام بشكل مستقل على اللوحة الطرفية:

يستخدم حقن الإشارة مولد إشارة لحقن إشارة قياسية 4-20 مللي أمبير على الجهاز للتحقق مما إذا كانت سلسلة الإشارة بأكملها من اللوحة الطرفية إلى واجهة HMI طبيعية.

افصل خط إخراج الجهاز وقم بتوصيل جهاز المعايرة مباشرة على الجهاز لمعايرة نقطة/نطاق الصفر لجهاز الإرسال الميداني، دون التأثير على تشغيل نظام التحكم.

عندما تكون إشارة الذكاء الاصطناعي غير طبيعية، يقوم المهندس أولاً بقياس الإشارة على اللوحة الطرفية. إذا كانت الإشارة طبيعية، فالمشكلة تكمن في جانب النظام؛ إذا كانت الإشارة غير طبيعية، فالمشكلة تكمن في الجانب الميداني. تعمل "طريقة تحديد المواقع الثنائية" هذه على تقليل متوسط ​​وقت إصلاح الخطأ بأكثر من 50%.

دعم عمليات التبديل السريع في أنظمة Mark VIe التي تم تكوينها بوحدات VAIC الزائدة عن الحاجة، إذا كانت لوحة طرفية TBAI نفسها بحاجة إلى الاستبدال، فيمكن فصلها عن الكابل الملتوي واستبدالها أثناء تشغيل النظام، مما يحقق صيانة حقيقية "بدون توقف"، باتباع إجراءات السلامة الصارمة.



تطور المنتج والتطور التكنولوجي

يوضح تطور بنية الإدخال/الإخراج لشركة GE بوضوح المسار من التكامل إلى الانفصال ومن ثم إلى الذكاء:

في الأيام الأولى لـ DCS/PLC، كان النهج الشائع هو توصيل بطاقات الإدخال/الإخراج مباشرة، وهو الأمر الذي كان من الصعب صيانته وكان ينطوي على مخاطر عالية.

في عصر Mark VIe، تم تقديم بنية إدخال/إخراج مبتكرة منفصلة تمامًا. كان ظهور اللوحات الطرفية TBAI/TBAO نتيجة للسعي الشديد لتحقيق قابلية الصيانة والموثوقية في الممارسة الهندسية. أثبت مفهوم التصميم هذا نجاحه الكبير وتم اعتماده من قبل العديد من الشركات المصنعة الأخرى لـ DCS المتطورة.

مارك VIeS وما بعده الحالي والمستقبلي:

تستمر البنية في البنية المنفصلة الناضجة والموثوقة الموروثة بالكامل لنظام Mark VIeS. لم يتغير دور لوحة محطة TBAI.

على الرغم من أن المحطات الذكية سلبية حاليًا، إلا أن اتجاه الصناعة يتجه نحو المحطات الذكية النشطة. قد تدمج اللوحات الطرفية المستقبلية محطات IO-Link الرئيسية أو مُضاعِفات HART، والتي لا يمكنها فقط إرسال الإشارات الرئيسية ولكن أيضًا قراءة معلومات التشخيص والتكوين الخاصة بالأدوات.

ملحقات التوصيل اللاسلكي مخصصة لنقاط المراقبة غير الحرجة أو التي يصعب توصيلها بالأسلاك. أصبحت أجهزة الإرسال اللاسلكية مكملاً قويًا لـ TBAI السلكية، لكن حلقات التحكم الحرجة ستظل سلكية بشكل أساسي.


الكلمات الساخنة:

الفئة ذات الصلة

إرسال استفسار

لا تتردد في تقديم استفسارك في النموذج أدناه. سوف نقوم بالرد عليك خلال 24 ساعة.
X
نحن نستخدم ملفات تعريف الارتباط لنقدم لك تجربة تصفح أفضل، وتحليل حركة مرور الموقع، وتخصيص المحتوى. باستخدام هذا الموقع، فإنك توافق على استخدامنا لملفات تعريف الارتباط. سياسة الخصوصية
يرفض يقبل