جنرال إلكتريك IS200TTURH1CED
  • جنرال إلكتريك IS200TTURH1CED جنرال إلكتريك IS200TTURH1CED
  • جنرال إلكتريك IS200TTURH1CED جنرال إلكتريك IS200TTURH1CED
  • جنرال إلكتريك IS200TTURH1CED جنرال إلكتريك IS200TTURH1CED

جنرال إلكتريك IS200TTURH1CED

العلامة التجارية: جي اي
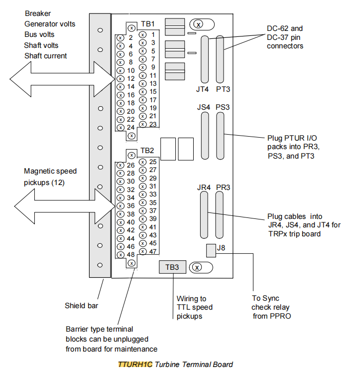
الوصف: لوحة محطة الإخراج
الحالة: جديد تمامًا
الشهادة: خطاب ضمان تقرير اختبار COO
الضمان: 1 سنة
كمية المخزون: 14
مصطلح الدفع: تي / تي
ميناء الشحن: شيامن
GE IS200TTURH1CED عبارة عن لوحة طرفية لإخراج الرحلة الرئيسية موثوقة وآمنة للغاية ومصممة من قبل شركة جنرال إلكتريك لتوربينات Mark VIe وMark VIeS المتقدمة وأنظمة التحكم في العمليات. باعتبارها أحد مكونات السلامة الرئيسية في بنية الإدخال/الإخراج الموزعة من Mark VIe، فإن المهمة الأساسية لهذه اللوحة هي تنفيذ أمر إيقاف التشغيل النهائي الذي لا رجعة فيه من وحدة التحكم.

إرسال استفسار

وصف المنتج

تصنيع
جنرال إلكتريك
رقم الموديل
IS200TTURH1CED
رقم الطلب
IS200TTURH1CED
كتالوج
مارك السادس
بلد المنشأ
الولايات المتحدة الأمريكية
رمز النظام المنسق
8479909090
البعد
233 × 160 ملم
وزن
0.32 كجم

نظرة عامة على المنتج

إن GE IS200TTURH1CED عبارة عن لوحة طرفية لإخراج الرحلة الرئيسية موثوقة وآمنة للغاية ومصممة من قبل شركة جنرال إلكتريك لتوربينات Mark VIe وMark VIeS المتقدمة وأنظمة التحكم في العمليات. باعتبارها أحد مكونات السلامة الرئيسية في بنية الإدخال/الإخراج الموزعة من Mark VIe، فإن المهمة الأساسية لهذه اللوحة هي تنفيذ أمر إيقاف التشغيل النهائي الذي لا رجعة فيه من وحدة التحكم. يستقبل IS200TTURH1CED إشارات إلكترونية من وحدة معالج الإدخال/الإخراج للرحلة الأساسية الخاصة بتوربينات العملية ويقوم بقطع أو توصيل دوائر الطاقة فعليًا بالمشغلات الرئيسية مثل صمامات إغلاق الوقود، وصمامات الملف اللولبي للرحلة الهيدروليكية، وملفات رحلة قاطع دائرة المولد من خلال المرحلات الكهرومغناطيسية المدمجة داخليًا ذات السعة الكبيرة والموثوقة للغاية، وبالتالي تحقيق إيقاف تشغيل آمن وسريع وموثوق لمعدات الطاقة الأساسية مثل توربينات الغاز وتوربينات البخار. هذه اللوحة ليست مجرد لوحة ترحيل؛ إنه المنفذ النهائي لوظائف نظام أدوات السلامة بالكامل في العالم المادي. يتبع تصميمه مبدأ الفشل الآمن وهو خط الدفاع الأخير لضمان سلامة الأفراد والمعدات والبيئة.

ميزات وظيفة المنتج

تنفيذ وظيفة السلامة النهائية - الرحلة الرئيسية

TTURH1CED هي وحدة التنفيذ الفعلي النهائية لمنطق الحماية. عندما تكتشف وحدة التحكم Mark VIe أي حالة تعرض سلامة المعدات للخطر، فإنها سترسل أمر رحلة إلى وحدة PTUR. يقوم PTUR بعد ذلك بتشغيل المرحلات الموجودة على لوحة TTUR للعمل، مما يؤدي إلى قطع إمداد الوقود مباشرة أو إطلاق رحلة ميكانيكية، مما يؤدي إلى إيقاف التشغيل في حالات الطوارئ خلال أجزاء من الثانية.

دعم البنية الثلاثية الزائدة عن الحاجة

يتوافق التصميم ثلاثي القنوات بشكل مثالي مع نظام Mark VIe TMR. تتحكم ثلاث قنوات تحكم مستقلة في مرحل واحد على التوالي. فقط عندما تصدر قناتان على الأقل أمرًا بالرحلة في وقت واحد، سيتم تنشيط دائرة الرحلة النهائية. يعمل هذا التصميم على تحسين توفر النظام وسلامته بشكل كبير.

تشخيص متقدم مدمج، يمنع الأعطال الكارثية

إن تشخيص مقارنة الأوامر/الملاحظات هو وظيفته الذكية الأساسية. لا تخبرك GE IS200TTURH1CED بأن وحدة التحكم تريدها أن تتعثر فحسب، بل تؤكد أيضًا أنها قامت بالتعثر. يعد تشخيص الحلقة المغلقة هذا بمثابة حجر الزاوية لضمان الموثوقية طويلة المدى لدائرة الرحلة الرئيسية، وهي وظيفة مهمة ذات إجراء واحد وعواقب خطيرة.

تصميم آمن من الفشل

يتبع تصميم دائرة الرحلة بأكملها مبدأ السلامة من الأخطاء. وهذا يعني أنه في حالة انقطاع الطاقة أو انقطاع الكابل أو فشل التتابع، سيتجه النظام تلقائيًا إلى حالة آمنة. على سبيل المثال، عادةً ما يتم تصميم صمام قطع الوقود على أنه مغلق عند الفشل، ويتم تنشيط المرحلات الموجودة على لوحة TTUR وتثبيتها في مكانها أثناء التشغيل العادي لإبقاء الصمام مفتوحًا؛ بمجرد أن تفقد لوحة TTUR الطاقة أو تتلقى أمرًا بالرحلة، يتم تحرير المرحلات ويغلق الصمام تحت تأثير الزنبرك.


توصيات المنتجات ذات الصلة

وحدة معالج الإدخال/الإخراج المصاحبة

وحدة معالج الإدخال/الإخراج الرئيسية الخاصة بالرحلة التوربينية IS200PTURH1A هي عقل TTURH1CED.

المنتج المطابق للجيل السابق

لوحة Mark VI VTUR I/O + لوحة طرفية TRPXH1B، IS200TTURH1CED هي السلف المباشر لـ IS200TTURH1CED في Mark VIe.

آلية التشغيل التي تسيطر عليها

صمام قطع الوقود GE SV8/SV12

نظام زيت الرحلة الهيدروليكي (Trip Oil System) صمام الملف اللولبي

ملف رحلة قاطع دائرة مخرج المولد (GCB)

الكلمات الساخنة:

الفئة ذات الصلة

إرسال استفسار

لا تتردد في تقديم استفسارك في النموذج أدناه. سوف نقوم بالرد عليك خلال 24 ساعة.
X
نحن نستخدم ملفات تعريف الارتباط لنقدم لك تجربة تصفح أفضل، وتحليل حركة مرور الموقع، وتخصيص المحتوى. باستخدام هذا الموقع، فإنك توافق على استخدامنا لملفات تعريف الارتباط. سياسة الخصوصية
يرفض يقبل